文章来源 Cytech Engineer

ADI 便携储能电源解决方案

随着锂电池技术的发展,低成本高储能的便携式储能设备的市场需求越来越多,不少公司都在开发此类产品。针对便携储能市场、锂电池充放电应用场景的需求,本文将为大家介绍几款常见的ADI 便携储能电源DC-DC 充放电解决方案。文中所提及的方案,都是经过市场验证,并且可批量生产的方案。

一、LT8390 — 60V四管升降压方案

LT8390是一款同步4开关降压-升压DC/DC控制器,可根据高于、低于或等于输出电压的输入电压调节输出电压、输入或输出电流。专有的峰值-降压/峰值-升压电流模式控制方案支持可调节和可同步的150kHz至650kHz固定频率运行方式,或支持可降低EMI的内部±15%三角扩频调制方式。LT8390具有4V至60V输入电压范围和0V至60V输出电压能力,并支持在操作区域之间进行无缝低噪声转换,是汽车、工业、电信和电池供电系统中稳压器、电池和超级电容充电器应用的理想选择。

 

LT8390提供输入或输出电流监控和电源良好指示。还提供故障保护功能以检测输出短路情况,在此期间LT8390将处于重试、闩锁或保持运行状态。

 

在便携储能产品领域,LT8390可以非常方便的实现高功率DC-DC锂电池充电器,DC-DC电压转换器,安全工作电压可达55V, LT8390提供一个可选输入或者输出的电流监控引脚,配合MPPT算法可以方便的实现太阳能充电功能。

articale header
图1 LT8390典型应用电路图
articale header
图2 LT8390封装尺寸图

优势及特点:

  • 极限耐压60V
  • 四管升降压,最高效率超过98%
  • 具备恒流输出能力
  • 输出电流可用模拟信号调整,配合MPPT算法可以实现太阳能充电功能

应用场景:

  • DC-DC充电器
  • 太阳能充电器
  • 锂电池输出稳压板

二、LTC4020 — 55V、降压-升压型多化学组成电池充电器

LTC4020 是一款高电压电源管理器,其可在很宽的电压范围内实现 PowerPath™ 即时接通型操作和高效率电池充电。一个内置降压-升压型 DC/DC 控制器可在电池和 / 或系统电压高于、低于或等于输入电压的情况下运作。

 

LTC4020 能针对负载变化、电池充电要求和输入电源限制条件无缝地管理电池和转换器输出之间的功率分配。

 

LTC4020 电池充电器可提供一种恒定电流 / 恒定电压充电算法 (CC/CV)、恒定电流充电 (CC)、或者运用一种经过优化的 4 步、3 级铅酸电池充电模式进行充电。最大转换器和电池充电电流可由电阻器进行设置。

 

即使在采用一个完全放电电池的情况下,该 IC 的即时接通型操作亦能确保系统负载电源。其他安全特性包括严重放电电池的预查验以及一个用于提供充电终止和保护功能的集成型定时器。

 

在便携储能和电池充电应用中,LTC4020可以非常方便的实现电池充电器、太阳能充电器功能。LTC4020直接支持模拟MPPT功能,不需要软件控制就能达到较高的太阳能利用率,LTC4020指出输出电流监测,提供一个输出电流监测引脚,配合MPPT算法,可以非常方便的实现高性能MPPT解决方案。LTC4020支持锂电池、铅酸电池、镍氢电池的充电逻辑。

articale header
图3 LTC4020典型应用电路示意图
articale header
图4 LTC4020封装尺寸图

优势及特点:

  • 极限耐压60V
  • 四管升降压,最高效率超过98%
  • 具备可选的锂电池、铅酸电池、镍氢电池充电控制逻辑
  • 具备两组输出,一组接后备电池,一组接负载,芯片具备Power path功能,可以实现输出负载不掉电
  • 芯片有FBIN引脚,可以实现模拟电路MPPT功能,可以支持太阳能充电功能
  • 芯片提供温度监测引脚,可以监测电池温度,并做出相应的控制动作

应用场景:

  • DC-DC多种化学电池充电器
  • DC-DC UPS系统
  • 太阳能充电器

三、LT8491 — 高电压-降压-升压电池充电控制器,具有最大功率点跟踪(MPPT)和 I2C

LT8491是一款降压-升压开关稳压器电池充电器,可实现用于大多数电池类型的恒流恒压(CCCV)充电曲线,包括密封铅酸(SLA)、溢流、凝胶和锂离子电池。

 

该器件采用高于、低于或等于输出电压的输入电压工作,且可由太阳能电池板或直流电源供电。片内逻辑提供用于太阳能供电应用的自动最大功率点跟踪(MPPT)。LT8491可通过检测热耦合到电池的外部热敏电阻来执行自动温度补偿。STATUS引脚可用于驱动LED指示灯。该器件采用薄型(0.75mm) 7mm × 11mm 64引脚QFN封装。

 

在便携储能电源应用中,LT8491方案可以迅速实现高性能,高功率太阳能充电电路。LT8491自带高效MPPT算法,不需要进行专业的软件开发。LT8491带有IIC通讯接口,可以通过软件方便的实现电压、电流参数的读取设置。假如不需要IIC读写功能,可以直接选取LT8490方案。LT8491是LT8490的功能增强版本,增加了IIC通讯接口,支持IIC读取、设置电压、电流信息。

articale header
图5 LTC8491典型电路示意图
articale header
图6 LT8491封装尺寸图

优势及特点:

  • 极限耐压80V
  • 四管升降压,最高效率超过98%
  • 具备可选的锂电池、铅酸电池、镍氢电池充电控制逻辑
  • 内置高效太阳能充电MPPT算法,可以快速搭建高功率高效太阳能充电系统
  • 可以同时兼容用作80V耐压常规四管升降压电路

应用场景:

  • DC-DC多种化学电池充电器
  • 带高效率MPPT的高功率太阳能充电器

四、LT3763 — 60V高电流降压型多功能同步整流Buck控制器

LT®3763 是一款固定频率、同步降压型 DC/DC 控制器,专为准确地调节高达 20A 的输出电流而设计。平均电流模式控制器将在 0V 至 55V 的宽输出电压范围内保持电感器电流调节作用。输出电流由 CTRL 引脚上的模拟电压和一个外部检测电阻器设定。电压调节和过压保护利用一个连接于输出和 FB 引脚之间的分压器来设定。开关频率可通过 RT 引脚上的一个外部电阻器或利用 SYNC 引脚和一个外部时钟信号在 200kHz 至 1MHz 的范围内进行设置。输入和输出电流检测可提供输入电流限制和这些电流的准确测量。FBIN 引脚可供那些需要峰值功率跟踪功能的应用之用。

 

该器件的其他特点包括一个与 CTRL 引脚配合使用的准确外部基准电压、一个可提供可编程 UVLO 迟滞的准确 UVLO/EN 引脚、一个针对 LED 应用的 PWM 驱动器、输出电压故障检测和热停机功能。

 

在便携储能和锂电池充电应用中,LT3763可以非常方便的搭建降压锂电池充电器,模拟MPPT太阳能充电器,配合MPPT算法可以实现高性能降压MPPT太阳能充电器,DC-DC降压转换器。

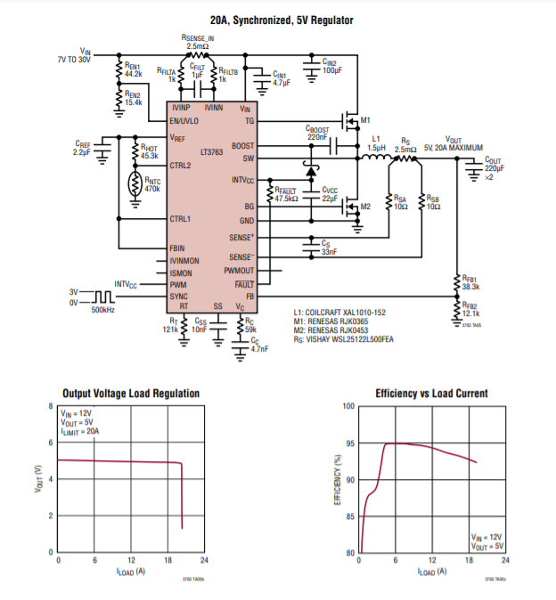
articale header
图7 LT3763典型应用电路图

优势及特点:

  • 极限耐压60V
  • 同步整流Buck电路,可以支持20A的输出电流
  • 支持恒流输出,可配置成锂电池充电器
  • 支持完整的高功率LED Driver功能,支持两路线性调光,一路高精度PWM调光
  • 带FBIN 引脚,可以实现模拟MPPT功能,可以用作降压型太阳能充电控制器
  • 可以用作常规高功率Buck降压电路

应用场景:

  • 高功率LED Driver
  • 高功率Buck电路
  • 带模拟MPPT降压型太阳能充电器

五、总结

骏龙科技在ADI电源推广和支持工作方面深耕多年,有着深厚的技术底蕴和市场经验。上文提及的方案,都是骏龙科技基于便携储能、锂电池充放电应用场景的需求,并配合客户进行验证,可批量生产的方案。假如您对以上方案或ADI其它类似解决方案有需求,可以点击下方「联系我们」,提交您的需求,骏龙科技愿意为您提供相关技术资料及技术支持。

参考资料

更多信息: