浅谈电流断续模式(DCM)和电流连续模式(CCM)的区别
机械开关是借助机械操作使触点断开电路、接通电路、转换电路的元件,而电子开关则是利用电子电路以及电力电子器件实现电路通断的运行单元,其至少包括一个可控的电子驱动器件,如晶闸管、晶体管、场效应管等。
电路中电子开关的类型及优缺点
电路中使用开关来控制其开通或者关断,而这些开关是电子开关,而不是机械开关。它们可能是二极管(肖特基二极管或普通二极管)、BJTs、 MOSFETS。肖特基二极管具有更低的正向压降,因此损耗更小,而普通硅二极管更便宜,反向漏电流更小。有一些开关稳压器也会使用双极结晶体管(BJTs),但不太常见,因为它们有更多的损耗。
电流断续模式 (DCM) 和电流连续模式 (CCM) 的架构及优缺点
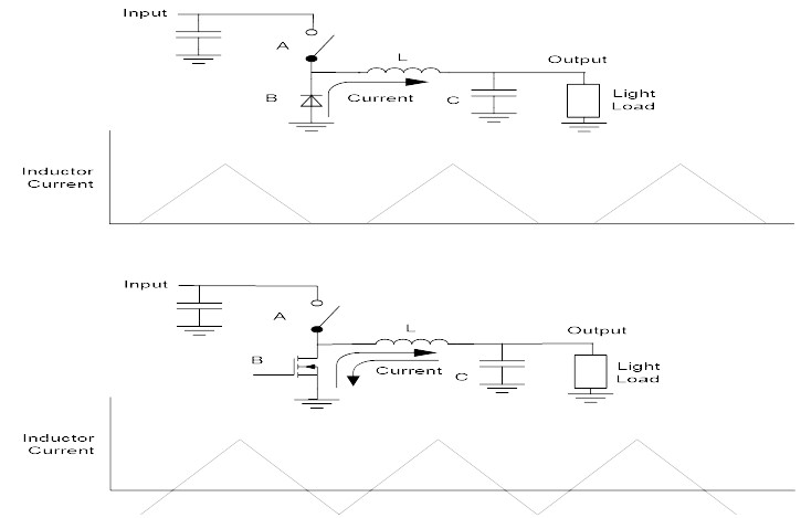
在下图中开关A总是一个晶体管(MOSFET或BJT),但开关B可能是一个二极管或者场效应管。
如果开关B是一个二极管,因为二极管B是单向导通的,只允许正向电流,所以电感中不会有负电流流过。在低电流小于2A轻负载情况下,使用电流断续模式(DCM),整个方案将更加便宜。
如果开关B是一个MOSFET,因为MOSFET可以在正反方向导通,因此电感中会有负电流流过。连续传导模式发生在满负荷范围内,在较高的负载电流下效率显著提高,但是同时增加了栅极驱动电路的复杂性,并且在轻负载情况下效率很差,但可以通过设计防止反向电流的智能驱动器来提高。
电流断续模式 (DCM) 和电流连续模式 (CCM) 总结
在低功率负载和二极管开关B的情况下,电感将在部分周期内停止导通——我们已经看到了这种电流断续模式(DCM),这种架构对于低功率系统可能会更便宜。MOSFET允许反向电流和连续导通,在一个方向或另一个反向方向上。这种连续传导模式(CCM)工作在轻负载电流情况下,效率会低一些,但是在大负载电流情况下,效率更高。在可能的情况下,应使用智能控制电路在低负载输出情况下来切换模式,以优化效率。
参考文献:
ADI的技术培训英文资料《Power Fundamentals》
更多信息: