文章来源 Cytech Engineer

直通模式让储能续航更持久

储能技术与能效优化问题

储能是当前工业领域最具增长价值的业务方向之一,全行业的技术人员都致力于构建更优质的储能方案。在电池储能方式中,提高电池的能效、让其续航更长久是最直接的能效优化手段。储能电池的能效高低取决于其储存和释放电能的效率:从电池本身材料来看,能效越高,储能电池储存的电能损失越少,可使用的电能就越充足。一般储能电池的能效在 70% 以上被认为是高效的,当然这也取决于具体的储能电池类型和使用环境。

 

除此之外,降低电池充放电过程的转换损失,也是有效提升储能能效的方法之一。储能电池的充放电一般需要设计精良的电路系统,包括电池管理、电压转换、温度控制等环节。为了更好地进行电路转换效率优化,就需要更高效的转换器方案、更新的电源拓扑结构和更先进的软件控制算法,ADI 提供的直通模式 (PassThru) 电源转换方案具有显著的效率提升效果。

锂电池与超级电容协同储能

得益于超级电容的优质特性,目前我们已将锂离子电池与超级电容协同并用于储能,这种前沿的方式具有三种明显优势:(1) 能实现爆发式快速充放电;(2) 整体储能系统使用寿命更长;(3) 高系统能效比。它是一种快速充放电的器件,并且环境适应性较强,能在极端高低温下工作。超级电容与锂电池结合,已成功应用于电动汽车、大规模工业储能领域中,以提升储能系统的整体环境适应性。

 

下图 (图1) 显示了锂电池与超级电容放电特性的区别。图中两者使用了相同的工作电压,进行 0.5A 电流放电。可以观察到,锂电池表现出较强的电压稳定特性,而超级电容表现出电压线性下降。因此将超级电容应用于储能场景时就需要高效率的电压变换电路,让系统在超级电容电压大范围变化时持续输出稳定的电压。

图1 24V 的锂电池与超级电容间放电特性对比
图1 24V 的锂电池与超级电容间放电特性对比

直通模式带来革命性效率提升

直通模式 (PassThru) 是 ADI 最新的电源技术,它专门为宽输入电压范围的系统而生。与传统的升降压 (buck-boost) 方案相比,它的综合转换效率大大提升。直通模式的电路通常会设置一个窗口电压范围,当输入电压进入窗口范围时,电路会控制将输入与输出端直接连通。PassThru 技术是超级电容与储能输出之间的电源网络,得益于直通带来的 “零” 损耗,超级电容的充放电反应速度更快、电路系统的 EMI 表现也更好。

图2 buck-boost 电路的直通模式
图2 buck-boost 电路的直通模式

直通模式 (PassThru) 最经常应用在升降压 (buck-boost) 电路中,如上图 (图2) 所示,PassThru 是指电流分别直接流经 buck 电路上管、功率电感、boost 电路上管,然后达到输出端负载。由于没有任何开关能量变换过程,整条链路的损耗基本上只有 mos 管导通电阻、电感直流阻抗等,一般而言这个效率能够达到 99.9%。LT8210 是 ADI 推出的一款具备 PassThru 模式的 buck-boost 电源控制器,如下图 (图3) 所示,它具备非常宽的输入电压范围,具体工作原理可查阅 LT8210 数据手册。

图3 LT8210 典型应用电路
图3 LT8210 典型应用电路

LT8210 的 ADI 官方演示板型号为 DC2814A-A,其演示板的工作效率图形如下图 (图4) 所示。可以观察到,测试输入电压范围是 4V-24V,直通模式窗口电压设定在 8V-16V,试验是在 10%-80% 不同带载强度情况下进行的。演示板的直通模式电流能力约为 3A,直通模式下随着负载电流增大,效率也会有 5% 的提升。在 10% 轻载情况下,电路一旦进入直通模式,能带来 17% 的效率提升,因此证明越是轻载情况,PassThru 技术带来的效率提升越明显。

图4 LT8210 演示板的效率表现
图4 LT8210 演示板的效率表现

轻载续航表现试验

为了验证 PassThru 技术带来的储能续航持久性优点,本文以 9V 轻载直流电机作为 24V 超级电容负载进行试验。如下图 (图5) 所示是该测试的电源树图,对 24V 超级电容的后端使用 LT8210 方案,设定输出窗口电压为 12V-24V,而后连接一个 9V 输出的降压电路,最终的 9V 负载电机的工作电流为 0.3A,相对而言是较轻负载。

图5 直流电机续航测试电源树
图5 直流电机续航测试电源树

下图 (图6) 为 LT8210 电路分别打开、关闭 PassThru 功能情况下的效率对比,从图可以看出,当关闭 PassThru 时,LT8210 始终在常规 CCM 模式下工作,当输入电压高于 12V 时,PassThru 模式的效率要比 CCM 模式提高至多 27%。

图6 LT8210 分别开闭 PassThru 的效率对比
图6 LT8210 分别开闭 PassThru 的效率对比

接下来可以从电参数的时间轴波形角度看两种情况的效率表现,如下图 (图7) 所示。其中横轴是时间轴,纵轴波形分别为超级电容电压、电机工作电压、电机工作电流。首先从波形的持续时间看,在打开 PassThru 功能情况下,有明显更久的续航时间,提高了约 49%。虽然超级电容电压持续下降并最终归零,但电机的工作电压始终稳定在 9V,这得益于 LT8210 的升压功能,它能够最大程度利用超级电容最后的能量。

图7 LT8210 分别开闭 PassThru 的系统续航表现
图7 LT8210 分别开闭 PassThru 的系统续航表现

更多直通模式电源方案

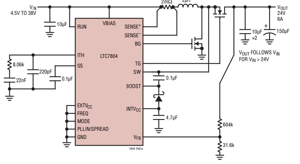
除了前文所述的 LT8210 方案,ADI 还提供了其他支持 PassThru 的电源芯片,如 LTC7804,其电路图如下图 (图8) 所示。它是一款外置 MOS 的 boost 控制器,它的展频功能可以让电源的 EMI 表现更加优异,已成功应用于汽车电子等领域。

图8 LTC7804 典型应用电路
图8 LTC7804 典型应用电路

下图 (图9) 是另一款支持 PassThru 的 LT8337,它是集成 MOS 的 boost 芯片,适合小空间低电流的产品。目前 ADI 还在不断推出具备 PassThru 技术的电源芯片,工程师将拥有丰富的方案选择空间。

图9 LT8337 典型应用电路
图9 LT8337 典型应用电路

总结与展望

PassThru 技术能够提升超级电容器供电设备的能效表现,显著增加续航时间,非常适合超级电容锂电池协同型的储能设备。与传统的 buck-boost 电路相比,具有 PassThru 模式的 LT8210 方案可以极大地优化超级电容的续航能力。此外,由于 PassThru 避免了功率电路开关控制过程,系统的整体 EMI 表现也会非常出色。若您对 LT8210 等 PassThru 技术的电源方案感兴趣或欲了解更多技术细节和咨询产品方案,请点击下方「联系我们」,提交您的需求,我们骏龙科技公司愿意为您提供更深入的讲解与介绍。

更多信息: